米兰足球直播生产厂家:milan体育app官网下载生产各种类型的米兰体育App官方APP下载,型号多,价格优惠,欢迎选购!
专注于米兰足球直播的设计
研发,制造,销售!
销售热线
187-6436-2999

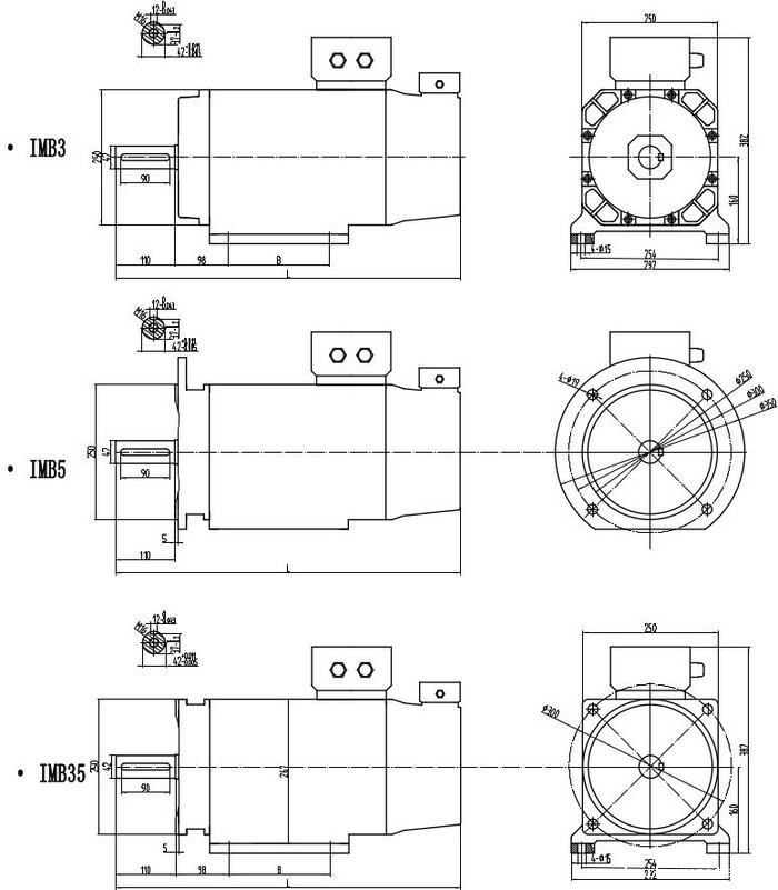
交流伺服电机

  • 产品名称: 交流伺服电机
  • 产品分类: 米兰体育App官方APP下载
  • 公司名称: milan体育app官网下载
  • 添加时间: 21/09/18
  • 二 维 码:

    手机浏览

    更方便

产品详情
询盘

  交流伺服电机调速方法
  1、变极对数调速方法:改变定子绕组的接红方式来改变笼型电动机定子极对数达到调速。
  2、变频调速方法:使用变频器改变电动机定子电源的频率,从而改变其同步转速的调速方法。
  3、串级调速方法:串级调速是指绕线式电动机转子回路中串入可调节的附加电势来改变电动机的转差,达到调速的目的。大部分转差功率被串入的附加电势所吸收,再利用产生附加的装置,把吸收的转差功率返回电网或转换能量加以利用。根据转差功率吸收利用方式,串级调速可分为电机串级调速、机械串级调速及晶闸管串级调速形式,多采用晶闸管串级调速。
  4、绕线式电动机转子串电阻调速方法:线式异步电动机转子串入附加电阻,使电动机的转差率加大,电动机在较低的转速下运行。串入的电阻越大,电动机的转速越低。此方法设备简单,控制方便,但转差功率以发热的形式消耗在电阻上。属有级调速,机械特性较软。
  5、定子调压调速方法:改变电动机的定子电压时,从而获得不同转速。由于电动机的转矩与电压平方成正比,因此转矩下降很多,其调速范围较小,使一般笼型电动机难以应用。


  技术优势
  1、转动惯量低,动态响应快。
  2、内置编码器,不需要额外的C轴编码器。
  3、电机安装独立风扇,强制风冷。
  4、噪音小,震动低。
  5、力矩大,高动态性能(斜坡上升耗时短)。
  6、效率达到IEC60034 30的I 3效率等级,GB18613 2012的2级能效。
  7、铁芯与外壳一体式设计,散热效果更佳。
  8、出轴长度、键槽、攻丝、可定制。


  为了扩大调速范围,调压调速应采用转子电阻值大的笼型电动机,如专供调压调速用的力矩电动机,或者在绕线式电动机上串联频敏电阻。电机额定功率的选择是一个很重要很复杂的问题,负载时,如果电机额定功率过大,电机就经常处于轻载运行,电机本身的容量得不到充分的发挥,同时电机运行效率低、性能不好,都会增加运行费用。电机电流超过额定电流,电机内耗损加大,效率低时小事,重要的是影响电机的寿命,即使过载不多,电机的寿命也会减少较多;过载较多,会破坏电机绝缘材料的绝缘性能甚至烧毁。当然,电机额定功率小,可能根本就拖动不了负载,会使电机长时间处于启动状态而过热损坏。所以应该严格按照运行情况选定电机的额定功率。



点击次数:   更新时间:21/09/18 15:16:09   【打印此页】   【关闭
城市分站:主站   山东   广东   江苏   ac米兰官方网站    河北   辽宁   河南   ac米兰官方合作伙伴    山西   北京   
联系我们 CONTACT US

销售一部:胡经理 18764362999

销售二部:赵经理 13325203619

销售总部:张经理 0533-4209188 


传真:0533-4200838

邮箱:1443302781@qq.com

网址: www.haikouwaitan.com 

地址:山东省淄博市博山区城东街道后峪工业园

微信咨询2
微信咨询1
手机浏览
milan体育app官网下载  鲁ICP备2021039765号-1 | | 网站地图
Baidu
map